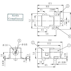
SCD-028 - Main Index
MODEL NO. PIN DIA    
SCD-028 0.65mm    
Document  
DRAWING
SPECIFICATIONS
RoHS