Home
Products
Distributors
Representatives
About Vimex
Locations
Contact Us
Search
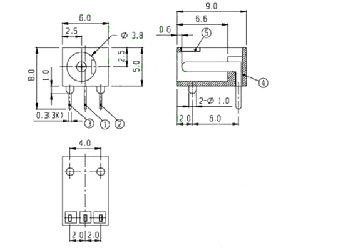
SCD-024 - Main Index
MODEL NO.
PIN DIA
SCD-024
1.3mm
Document
DRAWING
SPECIFICATIONS
RoHS