Home
Products
Distributors
Representatives
About Vimex
Locations
Contact Us
Search
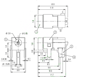
SCD-028 - Main Index
MODEL NO.
PIN DIA
SCD-028
.65mm
Document
DRAWING
SPECIFICATIONS
RoHS