Home
Products
Distributors
Representatives
About Vimex
Locations
Contact Us
Search
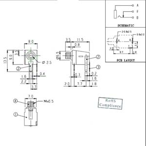
SCJ-0252 - Main Index
Document
Photo
Notes
DRAWING
Also available
without nut
(pt #: SCJ-0252B)
SPECIFICATIONS
RoHS