Home
Products
Distributors
Representatives
About Vimex
Locations
Contact Us
Search
SCP-2004 - Main Index
Document
Photo
Notes
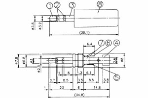
DRAWING
SPECIFICATIONS
RoHS