SCJ-0607A- Main Index
Document Photo Specifications
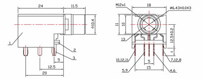
DRAWING

Contact Resistance:

0.03Ω max.
Withstanding Voltage:  500V, AC/minute
AVAILABLE CIRCUITS Rated Load: 50V DC 0.5A
Terminal Strength: 10N min.
RoHS Life: 5000
Insulation Resistance: 100MΩ min.
  Insertion and Extraction Force: 5N~40N
Temperature Range: -25°C~+70°C