Home
Products
Distributors
Representatives
About Vimex
Locations
Contact Us
Search
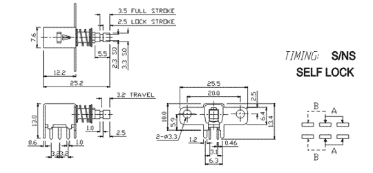
PS-22F24 - Main Index
Document
DRAWING
SPECIFICATIONS
PART NUMBER SYSTEM
KNOB TYPES
RoHS
ADDITIONAL MODELS
PS-22F23