Home
Products
Distributors
Representatives
About Vimex
Locations
Contact Us
Search
PS-42F07 - Main Index
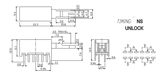
Document
DRAWING
SPECIFICATIONS
PART NUMBER SYSTEM
KNOB TYPES
RoHS
ADDITIONAL MODELS
PS-42F17