Home
Products
Distributors
Representatives
About Vimex
Locations
Contact Us
Search
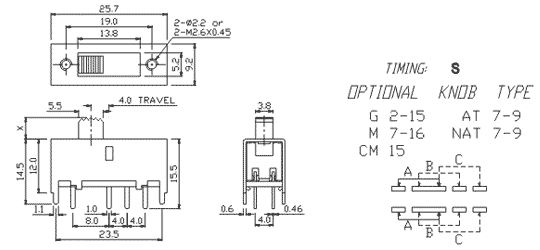
SS-23H02 - Main Index
Document
Knob Types
DRAWING
SPECIFICATIONS
PART NUMBER SYSTEM
KNOB TYPES
RoHS
ADDITIONAL MODELS
SS-23H02-02