Home
Products
Distributors
Representatives
About Vimex
Locations
Contact Us
Search
SS-43D01 - Main Index
Document
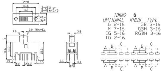
Knob Types
DRAWING
SPECIFICATIONS
PART NUMBER SYSTEM
KNOB TYPES
RoHS
ADDITIONAL MODELS
SS-43D14
SS-43D11