Home
Products
Distributors
Representatives
About Vimex
Locations
Contact Us
Search
TC-06309-00 - Main Index
Document
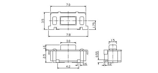
DRAWING
SPECIFICATIONS
PART NUMBER SYSTEM
RoHS
ADDITIONAL MODELS
TC-0309-00-E